DZ47SLE-63 SERIE DU CIRCUIT DE LA FEUX DE TERRES SERIE convient pour le circuit d'AC 50Hz / 60Hz avec une tension nominale jusqu'à 400 V et un courant nominal jusqu'à 63A. Il peut couper immédiatement l'alimentation défectueuse pour protéger la sécurité personnelle et l'équipement électrique à l'occasion d'un choc électrique personnel ou d'un courant de fuite au-delà de la valeur nominale. Il peut également protéger le circuit et la surcharge ou le court-circuit de l'électromoteur, utilisé pour un changement peu fréquent et un démarrage dans le circuit.
Le disjoncteur est conforme à IEC61009-1, GB16917.1.
◇ Altitude: ≤2000 m;
◇ Température environnementale: -5 ℃ ~ + 40 ℃, avec une valeur moyenne ne dépassant pas + 35 ℃ sur 24 heures;
◇ Humidité environnementale: ne dépassant pas 50% à une température ambiante maximale de + 40 ℃, avec une humidité relative plus élevée possible à des températures plus basses, comme atteindre 90% à 20 ℃, en tenant compte de la condensation sur la surface du produit en raison des changements de température;
◇ Conditions d'installation: Le champ magnétique externe du site d'installation ne doit pas dépasser 5 fois le champ géomagnétique dans aucune direction. Les disjoncteurs de circuit à courant résiduel doivent être généralement installés verticalement, la poignée tournante vers le haut pour se connecter à l'alimentation. Il ne devrait pas y avoir d'impact ou de vibration significatif sur le site d'installation;
◇ Catégorie d'installation: II;
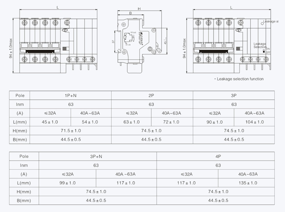
◇ Type d'installation: TH35-7.5 L'installation de rail de guide standard est adoptée;
◇ Niveau de pollution: 2;
◇ Méthode de câblage: Utilisez des vis pour resserrer le câblage.


